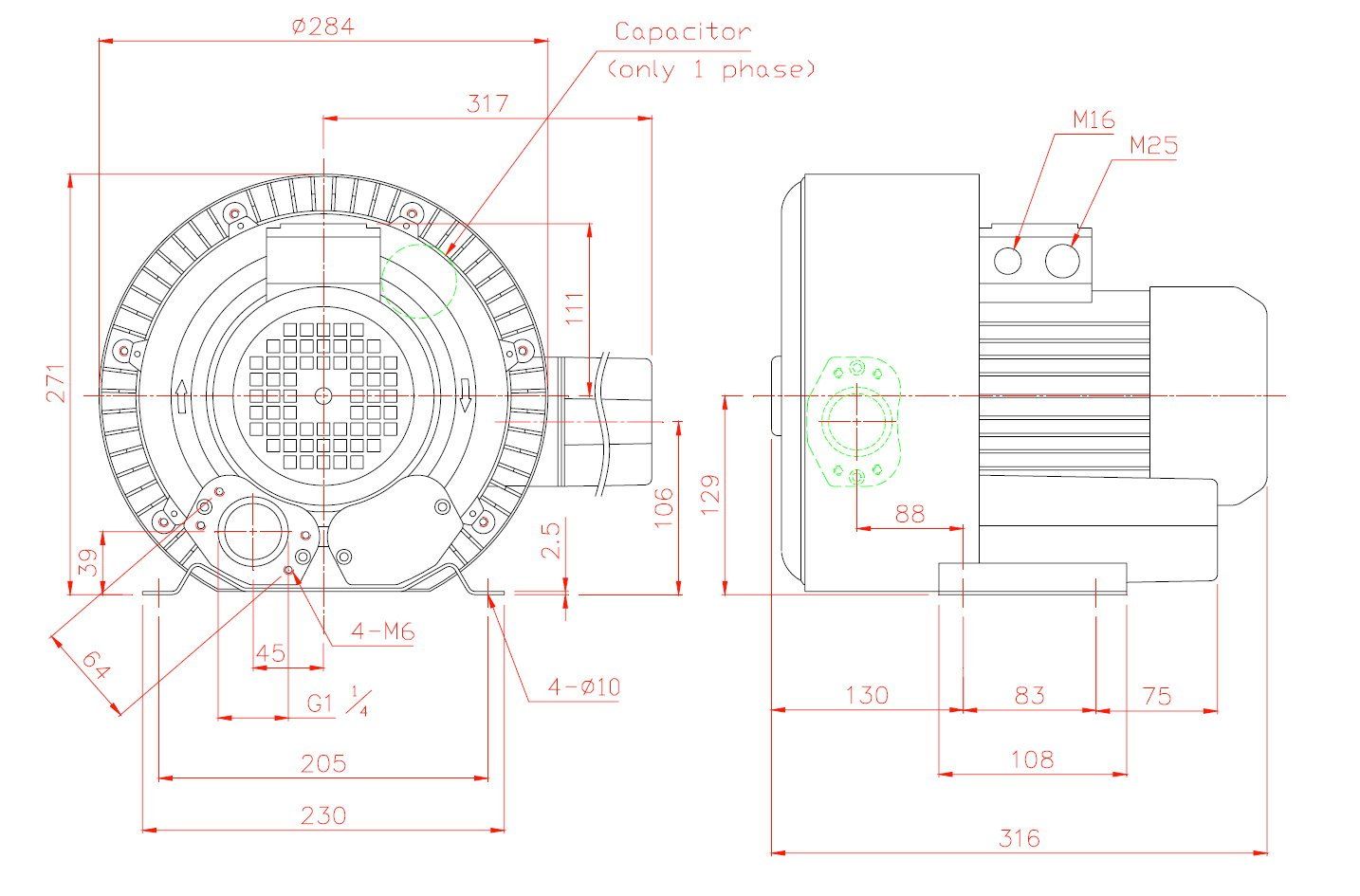
RB-30-1 2-Stage
1. Casing is made of aluminum alloy and have excellent features on mechanic strength, durability, light weight and smooth exterior.
2. Impeller is made of aluminum alloy and have excellent features on mechanic strength, durability and light weight.
3. RB series ring compressors are designed to comply with the safety requirements of CE / c CSA us and have attained their type approval.
4. Design per customers requirement available.
5. Thermal protector is optional.
- Under condition (*2), the test value.
- Max. pressure for continuous operation permitted.
- dB(A) value gets from 4 points & 1 meter distance test.
- Can not be operated with closed intake & outlet, a suitable pressure-relief valve must be used.


